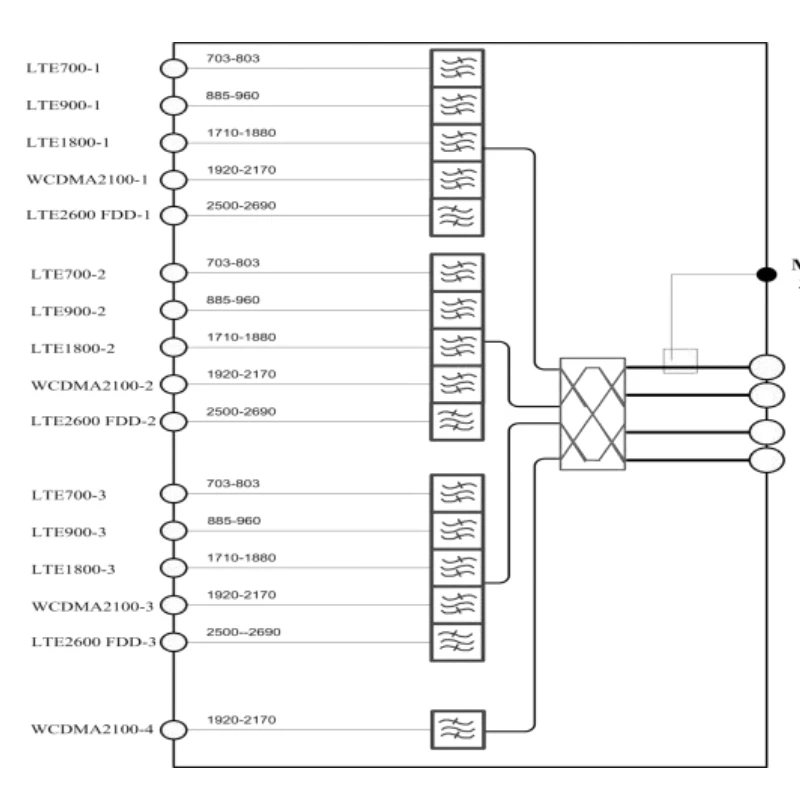
14 Input 4 Output POI Interface PTFE Insulated 14 Input 4 Output Ports
POI Interface with 14 Input 4 Output Ports - PTFE Insulation for Stable Signal Transmission in Telecom Systems
- Overview
- FAQ
- Recommended Products
| Category | Specifications |
|---|---|
| Input Port Frequency Bands (MHz) | - 700 Band: LTE700-1/2/3 (703-803) - 900 Band: LTE900-1/2/3 (885-960) - 1800 Band: LTE1800-1/2/3 (Note: Frequency range not specified in original data) - 2100 Band: WCDMA2100-1/2/3/4 (1920-2170) - 2600 Band: LTE2600 FDD-1/2/3 (2500-2690) |
| Electrical Performance | - Insertion Loss: ≥8.5 dB - Isolation (Same Bands): ≥25 dB - Isolation (Cross Bands): ≥80 dB - Input Port Return Loss: ≥18 dB - Maximum Input Power: 150 W (Average), 1000 W (Peak) - Intermodulation Products: ≤-150 dBc @ 2×43 dBm - Impedance: 50 Ω |
| Environmental Performance | - Operating Temperature: -10°C to +55°C - Operational Humidity: < 95% - Environmental Class: IP40 - Lightning Protection Ground Resistance: < 5 Ω |
FAQ
Q:what's your company MOQ?
A: In generally, if use customer brand, we will ask at least 500~800pcs, this we can negotiate.
Q: What's your delivery time?
A: This please ask our stock in first, products can send out once receive your deposit. If use customer brands, we will take a 3-5days to prepare materials and mass production.
Q: Can your company accept customize?
A: Welcome OEM & ODM.
Q: Can you send a sample for us to develop?
A: Yes, we can. Sample can send out once you ask for it, but will ask a sample fee. Sample fee will return back in future order
Q: Can you guarantee the quality of product?
A: Sure, high quality give us confidence to do business with your company. Long-term cooperation is what we need most instead of short-term cooperation.
Q: How do you solve after sale service?
A: This please ask us for technical support if you have workers know how to repair. If do not have engineers, please send back the items, we can repair the items for you.
Q:How do your company deal with the problem on quality ?
A: We have 20 years experience in this business. High quality and perfect service earn us great reputation. We will have a
detailed analysis of the problem. If our product is unqualified, we will deal with the problem according to contract. You have no need to worry about following problem. Our team will provide you great service.
